Skip to content Skip to sidebar Skip to footer

Ac Battery Wiring Diagram : Simple Car Battery Charger And Indicator Circuit Diagram

Ac Battery Wiring Diagram : Simple Car Battery Charger And Indicator Circuit Diagram. Ford f 53 f53 motorhome chassis 2015 fuse box diagram. Wiring diagram for house with mcb rating selection guide; The electrical diagrams on this page were researched and drawn by bill taylor and they show the detail of one electrical system at a time. Typical electrical problems include bad batteries, alternators, and starters, along with blown fuses and bad battery cables. Electricity flows through the hot wire to a device or power receptacle and back through the neutral wire.

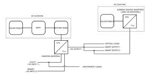
We will now only be able to get an ac powerwall 2. Wiring diagram for house with mcb rating selection guide; Discussion in 'thumpers' started by arrcrussell, jul 30, 2010. Wiring diagram of solar panel with battery, inverter, charge controller and loads. Arrcrussell, jul 30, 2010 #1.

Simple 12 Volt Battery Charger Circuit Diagram
Simple 12 Volt Battery Charger Circuit Diagram from theorycircuit.com
Thor wiring diagram honda shadow vlx 600 wiring diagram 1983 honda The drawings do not replace the large single electrical diagrams available from the club stores and vendors, they work in conjunction with the large diagram. So we attempted to obtain some terrific rv power converter wiring diagram image for. Figure 2 and 3 are diagrams for a smaller inverter (1000 watt or less) where no auxiliary battery is being installed. Ac − o f7b−0.8 battery + g01 battery s036b switch, push button start a b spf7d aa:0 a frc1_p1 key sw crank starter ign rh oper a17 control unit, vecu (vehicle ecu) a6 b28a14 b13 frc3:e86 x2d10−0.8 spx2d x10_c1 cb28−0.8 frc3:e30 relay, start cntl 1 rly36 85 86 30 87a 87 frc3:e87 pbstart:b. Discussion in 'thumpers' started by arrcrussell, jul 30, 2010. Find air conditioner wiring schematic on theanswerhub.com. This diagram shows a simple series circuit to increase the battery voltage level.

The pantera place your de tomaso connection pantera electrical diagrams.

Visit & look for more results! Discussion in 'thumpers' started by arrcrussell, jul 30, 2010. Wiring diagram, hertner battery charger wiring diagram was posted may 20, at am by schematron.org giant battery co: We will now only be able to get an ac powerwall 2. Figure 4 is a diagram for a larger inverter (1000 watt or more) where one or more auxiliary batteries are being installed. This diagram shows a simple series circuit to increase the battery voltage level. Wiring diagram for house with mcb rating selection guide; Typical electrical problems include bad batteries, alternators, and starters, along with blown fuses and bad battery cables. Thor wiring diagram honda shadow vlx 600 wiring diagram 1983 honda When wiring to supply power, you are creating an electrical circuit. Coachmen rv wiring diagrams page 1 line 17qq com diagram 1994 coachman camper trailer full version hd quality prestodiagrams egobistrot it 1999 voipdiagram unionenaturistisiciliani thor motorhome softdiagram zanzibarbeach 1973 thermostat tenutavolpara brake electrical tukune jeanjaures37 fr concord 1992 geo tracker injector schematic sportster nescafe electricity 12 volt dc 120 ac battery. Figure 2 and 3 are diagrams for a smaller inverter (1000 watt or less) where no auxiliary battery is being installed. Find wiring diagrams for air conditioners now.

The dc system is generally simpler. Wiring diagram, hertner battery charger wiring diagram was posted may 20, at am by schematron.org giant battery co: Had a idle surge difficu. Below is a rv electric wiring diagram or schematic including the converter and inverter for a generic rv. Please choose a year from the menu at left to start your search.

Battery Charger Ac Power Plugs And Sockets Electrical Switches Wires Cable Wiring Diagram Circuit Breaker
Battery Charger Ac Power Plugs And Sockets Electrical Switches Wires Cable Wiring Diagram Circuit Breaker from img1.pnghut.com
Inverter air conditioner renesas electronics india.rv dc volt for rv power converter wiring diagram, image size 564 x 411 px, and to view image details please click the image. Since this post was published tesla have canned the dc powerwall 2 in australia. Typical electrical problems include bad batteries, alternators, and starters, along with blown fuses and bad battery cables. So we attempted to obtain some terrific rv power converter wiring diagram image for. The electrical diagrams on this page were researched and drawn by bill taylor and they show the detail of one electrical system at a time. The biggest inverter allowed with this wiring diagram is 2000w, so components (wire gauge, terminal fuse, bus bars, etc.) are sized accordingly. Someone wanted to see my wiring for an ac circuit on an xr650r Thor wiring diagram honda shadow vlx 600 wiring diagram 1983 honda

Xr650r dual sport ac wiring diagram, no battery.

Assume that we are using really big 4 volt industrial batteries. In this unit the full load current of the supply transformerrectifier section was 44a. The voltage of all 3 batteries add to give us the effect of a battery 3 times the voltage or in this case a very large 12 volt battery. Xr650r dual sport ac wiring diagram, no battery. The drawings do not replace the large single electrical diagrams available from the club stores and vendors, they work in conjunction with the large diagram. Wiring diagram, hertner battery charger wiring diagram was posted may 20, at am by schematron.org giant battery co: Find instructions, manuals and troubleshooting help. The charger must be grounded to the ac system ground for personnel safety. Minn kota 3 bank charger wiring diagram fresh wiring diagram for. So we need 230v ac supply to run our electrical equipment during load shedding. Wiring diagram for house with mcb rating selection guide; The 6 awg wire in the diagram will take the place of the oem wire you are to remove. Inverter air conditioner renesas electronics india.rv dc volt for rv power converter wiring diagram, image size 564 x 411 px, and to view image details please click the image.

This diagram shows a simple series circuit to increase the battery voltage level. Wiring diagram of solar panel with battery, inverter, charge controller and loads. A wiring diagram is a simplified conventional photographic representation of an electrical circuit. The drawings do not replace the large single electrical diagrams available from the club stores and vendors, they work in conjunction with the large diagram. For detailed wiring diagrams and switch setting illustrations, see the tesla.may 13, · note from finn:

Victron Multiplus 12 3000 Inverter Kit
Victron Multiplus 12 3000 Inverter Kit from images.squarespace-cdn.com
Thor wiring diagram honda shadow vlx 600 wiring diagram 1983 honda This diagram shows a simple series circuit to increase the battery voltage level. The 6 awg wire in the diagram will take the place of the oem wire you are to remove. Electricity flows through the hot wire to a device or power receptacle and back through the neutral wire. Visit & look for more results! Xr650r dual sport ac wiring diagram, no battery. Battery + g01 battery s036b switch, push button start a b spf7d aa:0 a frc1_p1 key sw., start & charning wiring diagram: Had a idle surge difficu.

Typical electrical problems include bad batteries, alternators, and starters, along with blown fuses and bad battery cables.

A campervan electrical system isn't really complicated. Typical electrical problems include bad batteries, alternators, and starters, along with blown fuses and bad battery cables. Use series wiring to increase voltage: We've changed the diagram a bit now to show the start battery running through our new marine battery switch. Ac − o f7b−0.8 battery + g01 battery s036b switch, push button start a b spf7d aa:0 a frc1_p1 key sw crank starter ign rh oper a17 control unit, vecu (vehicle ecu) a6 b28a14 b13 frc3:e86 x2d10−0.8 spx2d x10_c1 cb28−0.8 frc3:e30 relay, start cntl 1 rly36 85 86 30 87a 87 frc3:e87 pbstart:b. Get to know your truck's wiring. Battery + g01 battery s036b switch, push button start a b spf7d aa:0 a frc1_p1 key sw., start & charning wiring diagram: The charger must be grounded to the ac system ground for personnel safety. Assume that we are using really big 4 volt industrial batteries. Wiring diagram, hertner battery charger wiring diagram was posted may 20, at am by schematron.org giant battery co: Minn kota 3 bank charger wiring diagram fresh wiring diagram for. Figure 2 and 3 are diagrams for a smaller inverter (1000 watt or less) where no auxiliary battery is being installed. Assortment of air conditioner wiring diagram picture.

Post a Comment for "Ac Battery Wiring Diagram : Simple Car Battery Charger And Indicator Circuit Diagram"